焊缝符号和焊接方法代号

初级 • 2023-07-21 • 10+ 浏览


焊缝符号和焊接方法代号


一、焊缝符号及代号

焊缝符号是用在焊接结构的图样上,标注焊缝形式,焊缝尺寸、焊接方法等的工程语言,有时进行焊接施工的主要依据,所以焊工的焊接技术人员必须熟悉常用焊缝符号的标注方法及其含义。

《焊缝符号表示法》(GB/T324-2008)规定,焊缝符号一般由基准线(两条平行线的细实线和虚线)、箭头线(细实线)和基本符号组成,必要时还可以加上补充符号和焊缝尺寸符号。

1.基本符号

基本符号是表示焊缝横截面基本形式或特征的符号,近似于焊缝横截面的形状。焊缝基本符号有20种,常用焊缝的基本符号见表2-1-6。


图片

图片


2.补充符号

补充符号是为了补充说明有关焊缝的某些特征而采用的符号(如表面形状、衬垫、焊缝分布、施焊点等),焊缝补充符号见表2-1-7,焊缝补充符号应用示例而见表2-1-8。 


图片

图片


3.焊缝尺寸符号

焊缝的完整标注示例见表2-1-9

必要时基本符号可附带有尺寸符号及数据。焊缝尺寸符号及数据的标注位置,见表2-1-9.


图片


4.焊接位置符号

板材对接焊缝试件、管材对接焊缝试件、管板角接头试件和螺柱焊试件都有专门的焊接位置及代号(见表2-1-10) 


图片


5.焊接方法代号及英文缩写

焊接方法有专门的数字代号,生产中也常用其英文缩写(见表2-1-11) 


图片



二、焊缝的标注

1.指引线

指引线一般由带箭头的指引线(简称箭头线)和两条基准线(一条为细实线,另一条为细虚线)两部分组成,如图2-1-26所示。基准线一般与标题栏平行。指引线有箭头的一端指向有关焊缝,细虚线表示焊缝在街头的非箭头侧。在需要表示焊接方法等说明时,可在基准线末端加一尾部符号 


图片


2.焊缝符号的标注方法

为了使图样清晰和减轻绘图工作量,可按国家标准《焊缝符号表示法》(GB/T324-2008)中规定的焊缝符号表示焊缝。

(1)箭头线相对接头的位置

箭头直接指向的接头侧为“接头的箭头侧”,与之相对的则为“接头的非箭头侧”,如图2-1-27所示。 


图片


(2)基本符号相对基准线的位置

箭头线相对焊缝的位置—般没有特殊要求,箭头线可以标在有焊缝一侧,也可以标在没有焊缝一侧。如图2-1-28a所示,焊缝的坡口朝右(施焊面在右侧),此时如果箭头线位于施焊面一侧,则将基本符号标在基准线的细实线上,如图2-1-28b所示;如果箭头线位于非施焊面一侧,则将基本符号标在基准线的细虚线上,如图2-1-28c所示。 


图片


在不至于引起误解时,对称焊缝和双面焊缝可以省略基准线的细虚线,如图2-1-29所示。 


图片


标注对称焊缝时,要注意“对称板”的选择,如图2-1-30所示。 


图片



三、焊接装配图识读

焊接结构装配图与一般装配图的不同在于:图中必须清楚地表示与焊接有关的问题,如坡口与接头形式、焊接方法、焊接材料型号和焊接及检验技术要求等。

作为一名焊工,必须具备正确识读焊接结构装配图的能力。除了要掌握相关机械制图的知识外,焊工还必须了解焊缝符号表示方法的有关标准,掌握识读焊接装配图的方法和步骤,并严格执行图样中有关焊接的技术条件。

1.识读焊接结构装配图的目的

(1)了解零(构)件或部件的名称、性能、结构和工作原理。

(2)了解各零(构)件间的相互位置、连接关系、装配关系和拆装顺序等。

(3)了解各零(构)件的主要结构形状、作用和技术要求等。

2.读焊接结构装配图的方法与步骤

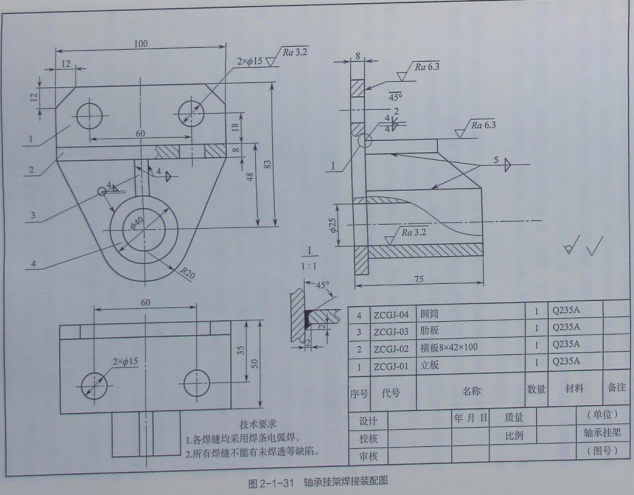
下面以图2-1-31所示轴承挂架焊接装配图为例,简要说明识读焊接装配图的一般方法和步骤。

(1)概括了解

读焊接结构装配图时,首先看标题栏和明细栏,从中了解该焊接结构或部件的名称、数量、质量、画图比例等;了解各零(构)件的名称及其在装配图上的大致位置,对焊接结构有一个初步印象。

图2-1-31所示为轴承挂架焊接结构装配图。中标题栏可知该焊接构件名称为“轴承挂架”,对照图上的序号和明细栏可知,它由立板、横板、肋板和圆简等构件焊接而成。材料为普通碳素结构钢。 


图片


(2)分析视图,想象出焊接结构形状

开始看图时,必须先找出主视图。分析焊接结构装配图的表达方案,采用了几个视图,搞清各视图之间的关系,每个视图都采用了什么表达方法,为进一步看图打好基础。

轴承挂架焊接图采用了主视图、俯视图、左视图三个基本视图和一个局部放大图。各视图及表达方法的分析如下。

1)主视图。主要表达了立板、横板、肋板和圆筒的分布情况,并采用局部剖视图,表达了横板上孔的内部结构(通孔)。同时,采用焊接符号表达了立板与肋板、立板与圆筒的焊缝形式及尺寸。

2)俯视图。俯视图是轴承挂架的俯视外形图,给出了横板上两个孔的相对位置。

3)左视图。采用局部剖视图,分别表达了立板上孔的内部结构和圆筒的内部结构。同时采用焊接符号表达了立板与横板、横板与肋板、肋板与圆筒的焊缝形式及尺寸。

4)局部放大图。用以表达立板1与横板2焊缝的断面形状及尺寸。

综合三个基本视图和局部放大图,由形体分析法可知,轴承挂架主要由立板、横板、肋板和圆筒四部分焊制而成,而圆筒为支承轴的主体,立板为固定支架,横板和肋板是为了增加承载能力的加强肋板。

(3)看懂焊接结构的焊缝形式及尺寸

圆筒与肋板之间采用焊脚尺寸为5mm的双面连续角焊缝进行焊接;肋板与横扳之间也是采用焊脚尺寸为5mm的双面连续角焊缝进行焊接;横板与立板之间采用单边V形焊缝,表面铲平,坡口角度为45°,焊缝间隙为2mm,坡口深度为4mm,横板下表面与立板的焊缝是焊脚尺寸为4mm的角焊缝;肋板与立板之间采用焊脚尺寸为4mm的角焊缝;圆筒与立板之间采用焊脚尺寸为4urn!的角焊缝,围绕圆筒周围进行焊接。

(4)分析尺寸

焊接图上的尺寸是制造、检验焊接结构的重要依据。分析尺寸的主要目的是根据构件的结构特点、设计和制造的工艺要求,找出尺寸基准,分淸设计基准和工艺基准,明确尺寸种类和标注形式;分析影响性能的主要尺寸标注是否合理,标准结构要素的尺寸标注是否符合要求,其他尺寸是否满足工艺要求;校对尺寸标注是否完整等。

(5)了解技术要求

焊接图上的技术要求是焊接构件制作的质量指标。焊接结构装配图的技术要求可用文字说明,也可用符(代)号标注。对于这部分内容,应能看懂表面粗糙度,尺寸与配合公差、几何公差,以及焊接方面的要求,如焊缝符号、焊接方法代号、焊缝质量要求、焊后矫正和热处理方法等。

轴承挂架的技术要求在图中分为两部分,一部分是在图中用符(代)号标注出来的,如Φ15mm孔的表面粗糙度符号、焊缝符号等;另一部分是文字说明,如焊接方法、焊缝质量要求、焊后矫正等。

通过上述方法和步骤,一般可对焊接结构有所了解。但对于某些比较复杂的结构,还需参考有关技术资料和相关图样,才能彻底读懂。读图的步骤也可视焊接结构的具体情况,灵活运用,交叉进行。